この記事では分配器の仕組みと評価方法について解説しています。
分配器の基礎知識
高周波回路を扱う上で信号の分岐は避けて通れないテーマの1つです。例えばアンテナで受信した信号を複数の受信機で処理したり、1つの発振器の信号を複数の回路ブロックに供給したりする場合、信号を正確に分ける必要が生じます。このとき高周波では信号を単純に分岐するのではなく、分配器を使って信号を分岐させる必要があります。
分配器とは
分配器は入力された高周波信号の電力を均等、または特定の比率で2つ以上に分配するための電子部品で、1つの入力ポート(Port1)から入った信号を、2つの出力ポート(Port2, Port3)に分けるのが基本的な役割です。また信号を足し合わせる合成器としても使用できるものもあります。
分配器の必要性
低周波の回路であれば、信号線を単純にT字に分岐させるだけで信号を分けることができます。しかし高周波回路では同じ方法は通用しません。その理由はインピーダンスマッチングが崩れてしまうためです。
高周波信号が伝わる伝送線路には、特性インピーダンスと呼ばれる、固有の伝送特性が存在します。特性インピーダンスについては「伝送線路の種類と特性インピーダンスの計算」にて解説しています。この特性インピーダンスは高周波回路では50Ωに統一されていることが一般的で、信号を伝送する際には信号源、伝送線路、負荷のインピーダンスをすべて同じ値に揃える(インピーダンスマッチング)ことで、信号の反射を防ぎ、電力を最も効率的に伝達できます。
インピーダンスの不整合による反射
50Ωの伝送線路を単純に2つに分岐すると、分岐点から先は2つの50Ωの経路が並列に接続された状態に見えます。すると合成インピーダンスは25Ωとなり、元の50Ωと異なるためインピーダンスの不整合が生じます。この不整合によって信号は反射し、信号品質の劣化を引き起こす原因となります。
以下に分配器無しで信号を分岐したときの反射・伝送特性を示します。
![]() |
図 T字分岐を接続した様子
![]() |
図 分配器無しで信号を分岐したときの反射・伝送特性
反射特性を表すS11(黄色)は周波数が高くなるに従って反射が大きくなっています。また伝送特性を表すS21(水色)とS31(ピンク)にも周波数特性があり、2GHzあたりには緩やかな共振も発生しています。つまり分配器なしの状態では、安定した信号の分岐はできないということです。
分配器の特性
分配器の性能を表す特性として代表的なものを3つ紹介します。
伝送損失(Insertion Loss)
伝送損失は入力された信号が分配されることによって、どれだけ電力が低下するかを示す指標です。単位はデシベル(dB)で表します。例えば理想的な2分配器の場合、入力電力が半分になるため、分配損失は理論的に3dB となります。ただし実際の製品では、内部回路でのわずかな損失が加わるため、3.5dBのようにもう少し大きな値になります。
アイソレーション(Isolation)
アイソレーションは出力ポート間の分離度を示す指標です。一方の出力ポート(Port2)から漏れた信号が、もう一方の出力ポート(Port3)にどれだけ影響を与えるかを表します。この値が大きいほどポート間の干渉が少なく、高性能であると言えます。
VSWR
VSWRは各ポートにおけるインピーダンスマッチングの状態を示す指標です。VSWRは1に近いほどインピーダンスマッチングが良好であり、反射が少ないことを意味します。理想的な状態が1であり、値が大きくなるほど反射が大きくなります。なおVSWRはS11から求めることができます。
![]() |
図 反射係数とVSWRの関係
先ほどの単純分岐時にS11をVSWRに変換すると、ほとんどの周波数範囲で2以上となっており、このことからも反射の影響が大きいことがわかります。
![]() |
分配器の種類
分配器は内部構造によってスプリッターとディバイダーの2つの種類に分けられます。両者はいずれも特性インピーダンスを一定に保ったうえで信号を分岐する機能を持ちますが、伝送損失の大きさに違いがあります。
![]() |
図 スプリッターとディバイダーの回路図
スプリッターとは
スプリッターは分岐した配線に対して抵抗が直列に接続された回路構成です。主に家庭用テレビ信号の分配など比較的性能要求が厳しくない用途で使われます。構造が非常にシンプルなため安価に製造できることがメリットです。一方でデメリットは、抵抗が電力を熱として消費するため伝送損失が理論値の3dBよりも大きくなることや、出力ポート間のアイソレーションが確保できない点が挙げられます。
ディバイダーとは
ディバイダーはスプリッターの回路に対して、分岐前の配線に対して直列に抵抗が挿入されます。高周波回路で一般的に使用される高性能な分配器はディバイダーです。抵抗を利用するもの以外にも、トランスやイクロストリップラインなどを利用してインピーダンスマッチングを保ちながら、良好なアイソレーション特性を実現できることが利点です。またディバイダーは信号を合成する合成器(コンバイナー)としても使えます。ただしコンバイナーとして機能するディバイダーはアイソレーション特性が優れないため、送信回路同士の干渉が問題となる場合には使用できません。
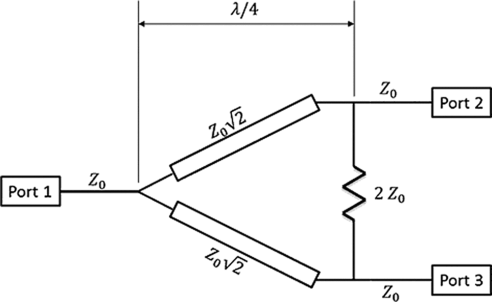
ウィルキンソン分配器
代表的なディバイダーとしてウィルキンソン分配器があります。ウィルキンソン型分配器は、2本の λ/4 インピーダンス変換線路を経由してポート2とポート3へ信号を分配します。
![]() |
図 ウィルキンソン分配器の概念図
この2本のインピーダンス変換線路間には、特性インピーダンスの2倍の抵抗値の抵抗を接続します。例えば特性インピーダンスが50Ωだとすると、線路間には100Ωの抵抗を実装するということです。この抵抗によって片側のポートに不整合や反射があっても、そのエネルギーを抵抗が吸収するため、もう一方のポートへ干渉しにくくなる、つまり高いアイソレーション特性が実現できます。
分配器の評価方法
ここではSiglent製SNA5004Aを使って、3つの分配器の特性を評価します。
![]() |
図 評価対象の分配器(左上:スプリッター、右上:ディバイダー、下:ウィルキンソン分配器)
なお使用するVNAに関して、測定を複数回に分けることで2ポートのVNAでも評価できますが、効率的に進めるには4ポート以上のVNAが好ましいです。評価項目としては分配器の特性で挙げた3つの特性、伝送特性(S21、S31)、アイソレーション(S32)、VSWR(S11、S22、S33)について見ていきます。
スプリッター
![]() |
図 スプリッターの測定風景
今回のスプリッターは抵抗がデルタ状に配置されているため伝送損失(S21:黄色、S31:水色)が6dBと理論値よりも高くなっています。またスプリッターの特徴でもあるアイソレーション特性(S32:ピンク)は伝送特性とほぼ一致する結果となっており、このことからポート間の分離はできていないことがわかります。
![]() |
図 スプリッターの伝送特性とアイソレーション
ただし単純分岐と違って、各ポートのインピーダンスマッチングは取れているため、いずれのポートともVSWRは1.2以下と非常に小さくなっています。つまり信号の分配器としては非常にうまく機能しているということです。
![]() |
図 スプリッターのVSWR
ディバイダー
![]() |
図 ディバイダーの測定風景
一般的な50Ω線路用の2分配ディバイダーの抵抗値は16.7Ω(50Ω÷3)ですが、このディバイダーには50Ωの抵抗が3つ実装されています。つまり150Ω線路用として設計されているということです。そのため伝送損失・アイソレーション特性・VSWRのいずれも理想的なディバイダーと比較して不十分な特性となっています。
![]() |
図 ディバイダーの伝送特性とアイソレーション
![]() |
図 ディバイダーのVSWR
なおVNAではポートの基準インピーダンスをソフトウェア的に変更することが可能で、例えばZ0=153Ωとすると、低周波では理論値に近い性能が得られます。ソフトウェアによるポートの基準インピーダンスの変換はCALキーを押下して、FixturesタブでApply FixturesをOnにした状態で、Fixture Setup→PortZから Enable Port Z Conversion On All Portsにチェックを入れたうえで、数値を入力します。
![]() |
図 ポートの基準インピーダンスの設定画面
ウィルキンソン分配器
![]() |
図 ウィルキンソン分配器の測定風景
ウィルキンソン分配器はλ/4 インピーダンス変換線路を使用するため、必然的に周波数特性を持ちます。この周波数特性はアイソレーション特性に顕著に表れ、この分配器の場合は1GHzにおいてアイソレーションが-21dBと最大になります。反対に2GHzになるとアイソレーション特性が-6dBまで低下します。
![]() |
図 ウィルキンソン分配器の伝送特性とアイソレーション
![]() |
図 ウィルキンソン分配器のVSWR
また2GHzあたりでVSWRが2以上と高くなっており、これはアイソレーション特性が悪化する帯域と一致しています。つまり2GHzにとってインピーダンス変換線路がミスマッチの要因となり、それがアイソレーションやVSWRの特性悪化につながっているということです。そのためウィルキンソン分配器は広帯域アプリケーションには適しておらず、特定の周波数帯でのみ機能すると理解しておくのが無難です。
© 2025 T&Mコーポレーション株式会社
■エンジャーさんの関連記事↓
①ネットワークアナライザにおけるタッチストーンファイルの活用方法



































T&M
即納ストア